
ETO Sterilizer
Machine that is successfully used for 100% sterilization in hospitals, nursing homes, and other medical facilities. We provide a range of choices to meet all of your ETO sterilization objectives as a trusted ETO Sterilizer Supplier. Read more about what is needed for ETO Sterilization and see our suggested fixes.
ETO Sterilizer Exporters in India
Recognized and Leading ETO Sterilizer consultant – Manufacturer, Supplier and Exporter of ETO Sterilizer Machine in India.
We are most demanded brand in the industrial market for offering the finest quality ETO Sterilizer in Ahmedabad, Gujarat, India at best affordable price. Our firm is engaged in manufacturing the best quality of ETO Sterilizer for Medical and Pharma Industry. Incepted years ago in this domain, we are developed in the city Ahmedabad which is known as Manchester of India and leading business hub in India. Our flourished team is engaged in designing, manufacturing, control and qualifies ETO Sterilizer for the Sterilization of the Medical devices and other equipments which are sensitive to heat and humidity. We are most insisted Ethylene Oxide Sterilizers Manufacturer, offering the finest method for medical device sterilization. Apart from designing and manufacturing the sterilizer, we are engaged in providing all types of ancillary equipment in order to offer a total sterilization unit by ethylene oxide process. Our main motto is to provide the best quality machine as per the company set high standards for manufacturing of ETO Sterilizer in India.
ETO Sterilizer Manufacturer in India
Are you searching for the branded and experienced manufacturer engaged in Manufacturing the ETO Sterilizer? We are leading ETO Sterilizer Manufacturer in India. Krishna Engineering established in the year 2000 with a huge dream to become a leader in the industrial market for offering the best ETO Sterilizer Machine which is used to sterilize the medical devices in the hospital and Pharma industry. Further it takes an immense pleasure to say that we also hold the expertise in offering our esteem customers continuous drying and cooling system equipment. Our manufactured machines portfolio includes MS & SS Vessels, Ribbon Blender, Tray Dryer, Vacuum Dryer, ETO Sterilizer, and Steam Sterilizer. We are manufacturing the ETO Sterilizer Machine using high-grade materials, this equipment that are utilized in medical, food spices, hospital, chemical, pharmaceutical, cosmetic and many more industries widely demanded by our national and international customers.
Our advanced technology manufacturing unit is one of the most supporting hands in the fabrication of our process equipment. We are growing under the aegis of our Founder Mr. Bhupat Patel who is well versed with the norms of domestic as well as international based clients. Our manufactured range of products are subjected to diverse quality tests and checked on different parameters like durability, performance, dimensional accuracy and corrosion resistant and make sure zero-defect of the products manufactured. Krishna Engineering is an acknowledged name as a leading ETO Sterilizer Manufacturer. We are well-known engaged in manufacturing high quality EO Sterilizer for Hospital and Medical Industry. With the main aim on quality we have set high standards for manufacturing of ETO Sterilizer in India. Our EO Sterilizer chambers are made of finest quality stainless steel.
Our Quality Approach
Quality is most important aspect in our field ; we Krishna Engineering were one of the known ISO 9001:2008 quality certified ETO Sterilizer Manufacturer in India so we are always actively committed to only making and selling of entire standard quality of ETO Sterilizer which are thoroughly tested by our experts for its all quality aspects including its toughness, better operating, endurance, scratch or default proof and so on. Also accruing only the quality approved materials & parts and manufacturing with the careful assistant for its excellent quality so if you planning to buy just right qualitative ETO Sterilizer for your premises then choose us to get best of best one for your trusted brand of product.
100% Untainted Output
With not only words, our company’s manufactured ETO Sterilizer’s are accurately finest for giving the pure, bacteria free, very clean sterilization output to the numerous industrialists who were our regulars form the various clinics, pharma, food and more & more industries. Mainly our sterilizer is apt for to sterilize the assorted forms of medical instrumentations & devices with the beneficial result and no chance of germs will remain in the sterilized devices.
Price Range Of ETO Sterilizer In India
Our advanced, automatic, best in standard quality of ETO Sterilizers are supplying and exporting by us at very economical price ranges and some clients may have fallacy that this much advanced sterilizer will cost up to higher range but from the last 19 years we are only making the best quality of EO sterilizers and selling to the huge numbers of clients from the varied cities of India and also exporting to the major oversees countries and to the both in-house and international clients, we are offering our mentioned product at very reasonable prices to get the same product at same price range, enquiry with us.



Solution Offered for ETO Sterilization – By Krishna Engineering ETO Sterilizer Machine
| Rigid Temperature Sensor | Relative Humidity and Temperature Sensor |
| Temperature Range from -30 to +105°C | Relative Humidity Range of 0 to 100% |
| Live Data Option Available | Temperature Range of 0 to 90°C |
| Interchangeable Sensor Design | Live Data Option Available |
| Interchangeable Sensor Design |
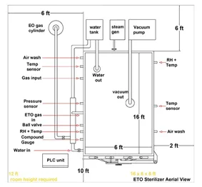
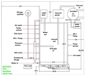
Specification of ETO Sterilizer
| Model in Feet | Volumetric Capacity (m³) | Working Pressure | Working Temperature | Vacuum Pump | Water Circulation Pump | Electric Heaters |
| 2x2x4 | 0.45 m³ | 1 to 1.5 kg/cm² | 55 to 60°C | 1 HP | 0.5 HP | 3 KW |
| 3x3x6 | 1.46 m³ | 1 to 1.5 kg/cm² | 55 to 60°C | 1.5 HP | 0.5 HP | 6 KW |
| 4x4x6 | 2.72 m³ | 1.0 to 1.5 kg/cm² | 55 to 60°C | 1.5 HP | 0.5 HP | 6 KW |
| 4x4x8 | 3.60 m³ | 1.0 to 1.5 kg/cm² | 55 to 60°C | 2 HP | 1 HP | 9 KW |
| 5x5x10 | 6.97 m³ | 1.0 to 1.5 kg/cm² | 55 to 60°C | 3 HP | 1 HP | 12 KW |
| 5x5x15 | 11.25 m³ | 1.0 to 1.5 kg/cm² | 55 to 60°C | 3 HP | 1 HP | 12 KW |
| 6x6x15 | 16.2 m³ | 1.0 to 1.5 kg/cm² | 55 to 60°C | 5 HP | 1.5 HP | 18 KW |
| 6x6x20 | 19.44 m³ | 1.0 to 1.5 kg/cm² | 55 to 60°C | 5 HP | 1.5 HP | 27 KW |
| 7x7x20 | 26.46 m³ | 1.0 to 1.5 kg/cm² | - | 7.5 HP | 2 HP | 36 KW |
| 7x7x30 | 44.1 m³ | 1.0 to 1.5 kg/cm² | - | 10 HP | 2 HP | 54 KW |
ETO Sterilizer Machine Manufacturing Process:
Krishna Engineering – Ethylene Oxide is a very efficient sterilizing agent. It is a bactericide, a sporicide and a viricide. The offered machines are made of high-grade stainless steel and mild steel as per the necessity of the customers with the support of proper technology and machines are manufactured with standard manufacturing process with all the required precaution and inspection. It has a really favorable diffusion coefficient and may be used for thermo-sensitive or very delicate materials. We are purchasing all the accessories which are required for sterilizer are from standard companies like Crompton, Schneider, Mitsubishi etc., all the machines are passed from leak test and a pressure test and make sure the quality of welding and other joints. Generally sterilization with ethylene oxide within the pharmaceutical industry has been restricted given the danger it entails thanks to its high mutagenic and carcinogenic properties. GMP’s specify that this type of sterilization should only be used when there is no alternative sterilization technology.
Nevertheless, the benefits of sterilization with ethylene oxide are still greater than those of the other system within the hospital single-use product industry. The leading companies during this sector still believe ethylene oxide for the terminal sterilization of syringes, probes, catheters, pace makers, etc. The complex design of those sorts of medical devices makes the penetrability of the sterilizing agent one among the foremost critical aspects. It is during this area where ethylene oxide is way superior to any of the alternatives: peroxide , peracetic acid, etc.
- Achieving Temp Temperature
- Stabilizing Time
- Pre Vacuum
- Pre Vacuum Hold Time
- Vacuum Tolerance
- Conditioning Load (RH Injection)
- Load Conditioning (RH Dwell Time)
- ETO Gas Pressure
- Gas Pressure Drop Tolerance
- Exposure Time
- Post Vacuum (Gas Dilution)
- No Of Pulse Of Post Vacuum
ETO Sterilizer Used in Medical Devices
Ethylene oxide (EO) sterilization is the most common industrial sterilization technique for medical devices. Ethylene oxide (also known as EO or ETO) is a low temperature gaseous process widely used to sterilize a variety of healthcare products, such as single-use syringe, other types of operating instrument used in the hospital. Ethylene Oxide Sterilization is an important sterilization method that is widely used to keep medical devices safe. Ethylene Oxide Sterilizers are used to sterilize heat-and moisture-sensitive devices that world be damaged by pure steam or liquid chemical sterilization, including most plastic or rubber products like catheters, resuscitation bags, and anesthesia masks, most fiberoptic instruments, as well as non-heat-sensitive.
Standard sterilization techniques using drenched steam under pressure or hot air are the most reliable and should be used whenever possible. Other Sterilization methods include filtration, ionizing radiation gamma and electron-beam radiation, and gas ethylene oxide, formaldehyde. Exposure to ETO can cause eye pain, sore throat, difficulty breathing and blurred vision. Exposure can also cause dizziness, nausea, headache, convulsions, blisters and vomiting and coughing. In a assortment of in vitro and animal studies, ETO has been demonstrated to be carcinogenic. Ethylene oxide is used essentially as a chemical intermediate in the manufacture of textiles, detergents, polyurethane foam, antifreeze, solvents, medicinal, adhesives, and other products. If sterilized, face masks or surgical masks would likely be sterilized using ethylene oxide. As with other medical devices sterilized using ethylene oxide, FDA guidance helps make sure any remaining levels are within safe limits.
Application for Ethylene Oxide Sterilizer
- Achieving Temp Temperature
- Stabilizing Time
- Pre Vacuum
- Pre Vacuum Hold Time
- Vacuum Tolerance
- Conditioning Load (RH Injection)
- Load Conditioning (RH Dwell Time)
- ETO Gas Pressure
- Gas Pressure Drop Tolerance
- Exposure Time
- Post Vacuum (Gas Dilution)
- No Of Pulse Of Post Vacuum












